无锡市尚德干燥设备有限公司

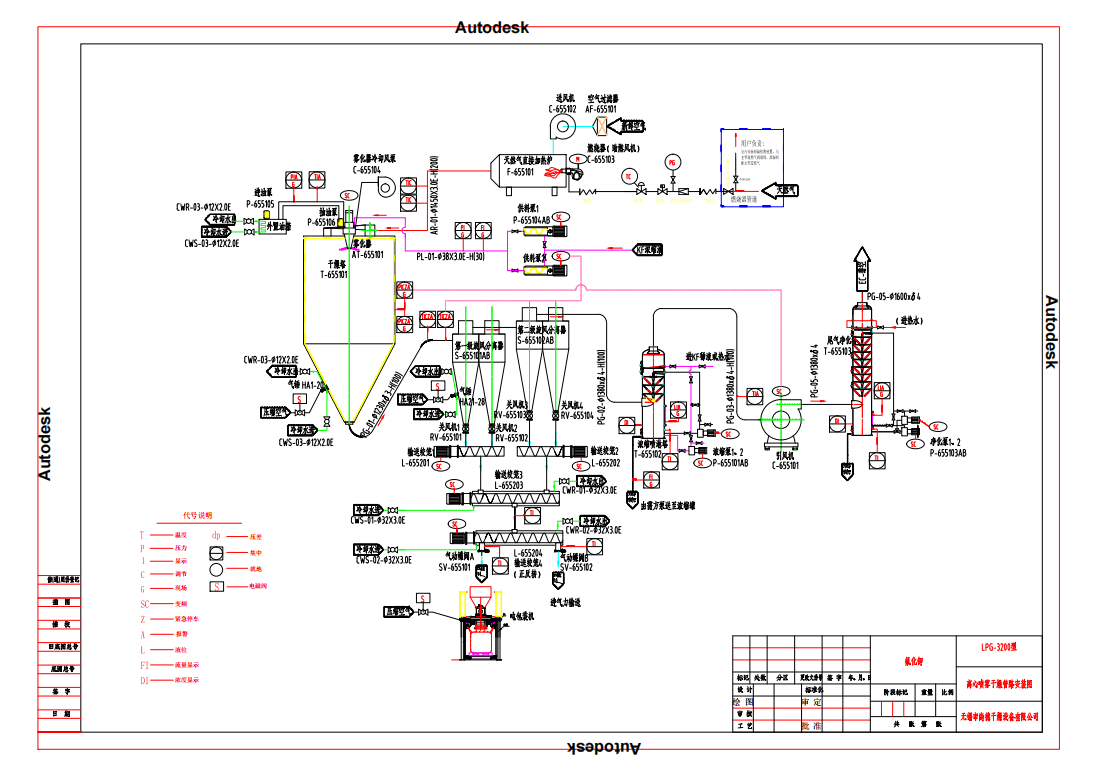
氟化钾干燥工艺

通过螺杆泵离心雾化、天然气高温干燥及旋风废气净化,集成智能控制,实现节能高效、优质环保。

  • 1、进料系统:液料由螺杆泵吸送至高速离心雾化器。

  • 2、离心喷雾系统:由高速离心雾化器将液料雾化成微米级雾滴,进入干燥塔体。

  • 3、加热系统:由初效空气过滤器、送风机、天然气热风炉、热风管组成,完成将常温空气加热至工艺所需的高温空气。

  • 4、干燥塔系统: 由雾化器吊装装置、干燥塔体、热风分配器、蜗壳、气动振打装置、观察门组成

  • 5、产品出料及除尘:由一二级旋风分离器、净化浓缩塔、引风机、废气净化塔。

  • 6、电气控制系统:MCC(中央集中电机控制)+PLC(可编程控制器)+MCGS(嵌入式触摸控制系统)

bc57c13a-c7ea-46a0-a0e6-ec782bd9d16c.png