厂家直销、品质钢材、品类齐全、支持定制、快速供货
咨询热线:
刘总 13961737591
60秒人工快速响应
30分钟给予技术答复
24小时免费定制方案
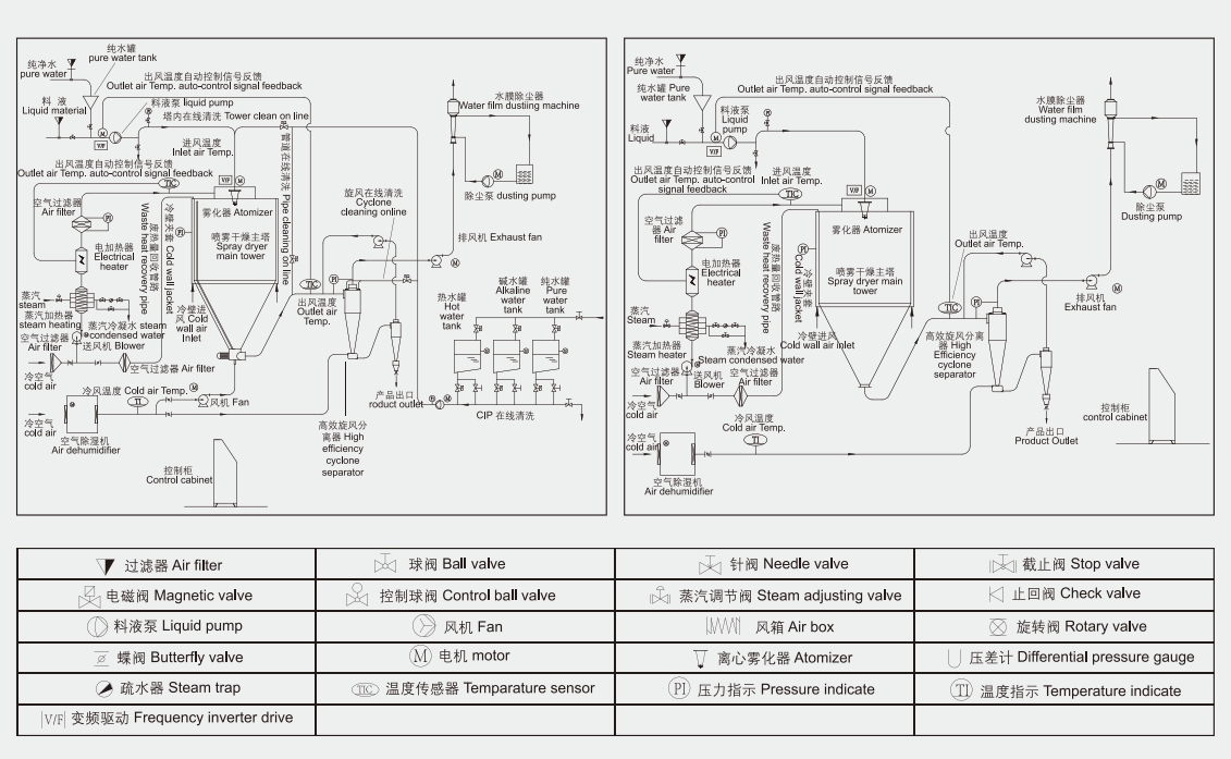
ZLPG中药浸膏喷雾干燥设备是各类中药在现代化生产中常用的将中药中的根、茎、叶、花、果萃取后进行干燥的关键设备。设备主要用于将液态、半固态的中药浸膏快速转化为干燥粉末。


工艺优势
根据原料有效成分,匹配符合工艺的设备和参数,保留有效中药成分等。
技术优势
工程师在中药行业、干燥行业做了20余年,根据中药性质相应的匹配配套工艺和细节。
保密优势
新工艺、新配方、新技术均可在中药浸膏专用干燥设备中进行。可以达到专人专职,流水线分段保密,以增强保密性。
设备优势
配备雾化器和塔体冷却系统防粘壁,配气扫和振动系统防挂壁影响产品品质、防止产品焦化等。

ZLPG中药浸膏喷雾干燥机设备应用范围:
1、中药领域:中药提取物、中药萃取物、当归浸膏、白芍浸膏、板蓝根浸膏、葛根浸膏、夏枯草等;
2、保健品领域:氨基酸、维生素、鱼皮肽、海参肽、虫草提取物、血红素等。
尚德干燥工程可根据浸膏类物料特性和药效专业定制离心喷雾干燥设备,欢迎各位新老客户来电咨询,我司配专人对接,全程陪同实验,出具专业实验数据报告并提供合理化加工工艺配套建议。期待您的光临!